李工:138-8949-5179 刘工:135-0428-8802
型号查询
轴承型号   常见搜索: 6007轴承 6018轴承 6017轴承 6909轴承 6003轴承 6008轴承
型号查询 X

轴承专区

Bearings Center

638/5-2Z轴承-SKF 638/5-2Z轴承尺寸、图纸、价格

SKF 638/5-2Z轴承

产品名称:638/5-2Z轴承 品牌:SKF
类型:SKF轴承 > 滚动轴承 > 深沟球轴承
描述:638/5-2Z轴承是【SKF轴承 > 滚动轴承 > 深沟球轴承】的型号,主要用在飞机喷气式发动机、油泵、中型及大型电动机、机床主轴、铁路车辆车轴、石油钻机、燃机、玩具、给料机械、坦克等各大领域

 电话/微信:138-8949-5179

SKF 638/5-2Z轴承详细信息

638/5-2Z轴承是【SKF轴承 > 滚动轴承 > 深沟球轴承】的型号,主要用在飞机喷气式发动机、油泵、中型及大型电动机、机床主轴、铁路车辆车轴、石油钻机、燃机、玩具、给料机械、坦克等各大领域。

SKF 638/5-2Z轴承详细参数

深沟球轴承, 单列, 两面防尘罩
主要数据尺寸基本负荷额定值疲劳负荷限值额定速度体积型号
动态静态参照速度限制速度
dDBCC0Pu
mmkNkNr/minkg-
51150,6370,2550,011120000600000,0016638/5-2Z

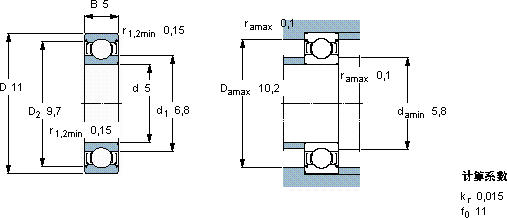
SKF 638/5-2Z轴承尺寸图纸

李工:138-8949-5179

刘工:135-0428-8802

地址:辽宁省大连经济技术开发区现代城3栋-13-13号

在线客服系统