李工:138-8949-5179 刘工:135-0428-8802
型号查询
轴承型号   常见搜索: 6012轴承 32313轴承 6004轴承 3214轴承 6021轴承 6011轴承
型号查询 X

轴承专区

Bearings Center

634-Z轴承-SKF 634-Z轴承尺寸、图纸、价格

SKF 634-Z轴承

产品名称:634-Z轴承 品牌:SKF
类型:SKF轴承 > 滚动轴承 > 深沟球轴承
描述:634-Z轴承是【SKF轴承 > 滚动轴承 > 深沟球轴承】的型号,主要用在装卸搬运机械、离心分离机、压缩机、变速器、各类产业用减速机、石油钻机转环、矿山、塑料、凿岩机械、摩天轮等各大领域

 电话/微信:138-8949-5179

SKF 634-Z轴承详细信息

634-Z轴承是【SKF轴承 > 滚动轴承 > 深沟球轴承】的型号,主要用在装卸搬运机械、离心分离机、压缩机、变速器、各类产业用减速机、石油钻机转环、矿山、塑料、凿岩机械、摩天轮等各大领域。

SKF 634-Z轴承详细参数

深沟球轴承, 单列, 单面防尘罩
主要数据尺寸基本负荷额定值疲劳负荷限值额定速度体积型号
动态静态参照速度限制速度
dDBCC0Pu
mmkNkNr/minkg-
41651,110,380,01695000600000,0054634-Z

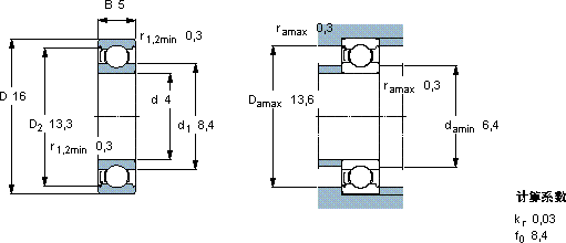
SKF 634-Z轴承尺寸图纸

李工:138-8949-5179

刘工:135-0428-8802

地址:辽宁省大连经济技术开发区现代城3栋-13-13号

在线客服系统