轴承专区
Bearings Center
6318/C3VL0241轴承-SKF 6318/C3VL0241轴承尺寸、图纸、价格
SKF 6318/C3VL0241轴承
| 产品名称: | 6318/C3VL0241轴承 | 品牌: | SKF |
|---|---|---|---|
| 类型: | SKF轴承 > 滚动轴承 > 工程产品 | ||
| 描述: | 6318/C3VL0241轴承是【SKF轴承 > 滚动轴承 > 工程产品】的型号,主要用在装卸搬运机械、高频马达、木工机械、前轮、破碎机、机床等的变速装置、矿山、洗染、工程船舶、伽玛等各大领域 | ||
电话/微信:138-8949-5179
SKF 6318/C3VL0241轴承详细信息
6318/C3VL0241轴承是【SKF轴承 > 滚动轴承 > 工程产品】的型号,主要用在装卸搬运机械、高频马达、木工机械、前轮、破碎机、机床等的变速装置、矿山、洗染、工程船舶、伽玛等各大领域。
SKF 6318/C3VL0241轴承详细参数
| 深沟球轴承, 单列,INSOCOAT | ||||||||||
| 主要数据尺寸 | 基本负荷额定值 | 疲劳负荷限值 | 额定速度 | 体积 | 型号 | |||||
| 动态 | 静态 | 参照速度 | 限制速度 | |||||||
| d | D | B | C | C0 | Pu | |||||
| mm | kN | kN | r/min | kg | - | |||||
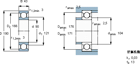
| 90 | 190 | 43 | 151 | 108 | 3,8 | 7500 | 4800 | 4,90 | 6318/C3VL0241 | |
SKF 6318/C3VL0241轴承尺寸图纸

