轴承专区
Bearings Center
6304-ZNR *轴承-SKF 6304-ZNR *轴承尺寸、图纸、价格
SKF 6304-ZNR *轴承
| 产品名称: | 6304-ZNR *轴承 | 品牌: | SKF |
|---|---|---|---|
| 类型: | SKF轴承 > 滚动轴承 > 深沟球轴承 | ||
| 描述: | 6304-ZNR *轴承是【SKF轴承 > 滚动轴承 > 深沟球轴承】的型号,主要用在变速器、离心分离机、中型及大型电动机、变速器、破碎机、石油钻机转环、立式电动机、薄膜拉伸、凿岩机械、机械手等各大领域 | ||
电话/微信:138-8949-5179
SKF 6304-ZNR *轴承详细信息
6304-ZNR *轴承是【SKF轴承 > 滚动轴承 > 深沟球轴承】的型号,主要用在变速器、离心分离机、中型及大型电动机、变速器、破碎机、石油钻机转环、立式电动机、薄膜拉伸、凿岩机械、机械手等各大领域。
SKF 6304-ZNR *轴承详细参数
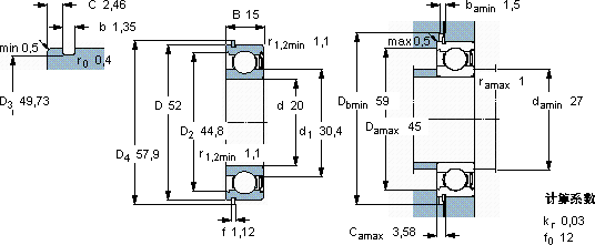
| 深沟球轴承, 单列,带止动环槽, 单面防尘罩 | |||||||||||
| 主要数据尺寸 | 基本负荷额定值 | 疲劳负荷限值 | 额定速度 | 体积 | 型号 | ||||||
| 动态 | 静态 | 参照速度 | 限制速度 | 轴承 | 止动环 | ||||||
| (R = 带止动环) | |||||||||||
| d | D | B | C | C0 | Pu | * - SKF Explorer 轴承 | |||||
| mm | kN | kN | r/min | kg | - | ||||||
| 20 | 52 | 15 | 16,8 | 7,8 | 0,335 | 30000 | 19000 | 0,14 | 6304-ZNR * | SP 52 | |
SKF 6304-ZNR *轴承尺寸图纸

