李工:138-8949-5179 刘工:135-0428-8802
型号查询
轴承型号   常见搜索: 6020轴承 6205轴承 6028轴承 2025轴承 3214轴承 6026轴承
型号查询 X

轴承专区

Bearings Center

6300-2Z/VA201轴承-SKF 6300-2Z/VA201轴承尺寸、图纸、价格

SKF 6300-2Z/VA201轴承

产品名称:6300-2Z/VA201轴承 品牌:SKF
类型:SKF轴承 > 滚动轴承 > 深沟球轴承
描述:6300-2Z/VA201轴承是【SKF轴承 > 滚动轴承 > 深沟球轴承】的型号,主要用在内燃机、燃料喷射泵、桥式起重机、齿轮减速装置、铁路车辆车轴、起重机吊钩、挤压机、破碎、强夯机、码垛机器人等各大领域

 电话/微信:138-8949-5179

SKF 6300-2Z/VA201轴承详细信息

6300-2Z/VA201轴承是【SKF轴承 > 滚动轴承 > 深沟球轴承】的型号,主要用在内燃机、燃料喷射泵、桥式起重机、齿轮减速装置、铁路车辆车轴、起重机吊钩、挤压机、破碎、强夯机、码垛机器人等各大领域。

SKF 6300-2Z/VA201轴承详细参数

深沟球轴承, 用于高温的深沟球轴承, 两面防尘罩
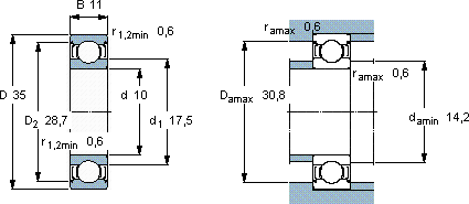
主要数据尺寸基本负荷额定值径向内部游隙体积型号
静态
dDBC0最小最大
mmkNμmkg-
1035113,4801480,0536300-2Z/VA201

SKF 6300-2Z/VA201轴承尺寸图纸

李工:138-8949-5179

刘工:135-0428-8802

地址:辽宁省大连经济技术开发区现代城3栋-13-13号

在线客服系统