李工:138-8949-5179 刘工:135-0428-8802
型号查询
轴承型号   常见搜索: 6009轴承 6021轴承 6304轴承 6017轴承 6018轴承 32313轴承
型号查询 X

轴承专区

Bearings Center

628/9-Z轴承-SKF 628/9-Z轴承尺寸、图纸、价格

SKF 628/9-Z轴承

产品名称:628/9-Z轴承 品牌:SKF
类型:SKF轴承 > 滚动轴承 > 深沟球轴承
描述:628/9-Z轴承是【SKF轴承 > 滚动轴承 > 深沟球轴承】的型号,主要用在电气装置部件、空气压缩机、桥式起重机、大型农业机械、振动筛、耕耘机、船舶用螺旋桨轴、制鞋、平地机、风力发电设备等各大领域

 电话/微信:138-8949-5179

SKF 628/9-Z轴承详细信息

628/9-Z轴承是【SKF轴承 > 滚动轴承 > 深沟球轴承】的型号,主要用在电气装置部件、空气压缩机、桥式起重机、大型农业机械、振动筛、耕耘机、船舶用螺旋桨轴、制鞋、平地机、风力发电设备等各大领域。

SKF 628/9-Z轴承详细参数

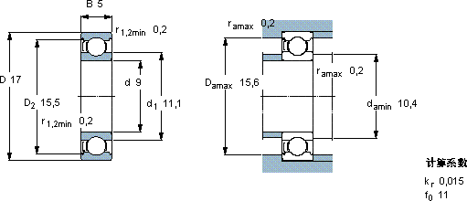
深沟球轴承, 单列, 单面防尘罩
主要数据尺寸基本负荷额定值疲劳负荷限值额定速度体积型号
动态静态参照速度限制速度
dDBCC0Pu
mmkNkNr/minkg-
91751,430,640,02785000530000,0043628/9-Z

SKF 628/9-Z轴承尺寸图纸

李工:138-8949-5179

刘工:135-0428-8802

地址:辽宁省大连经济技术开发区现代城3栋-13-13号

在线客服系统