轴承专区
Bearings Center
628/9-2Z轴承-SKF 628/9-2Z轴承尺寸、图纸、价格
SKF 628/9-2Z轴承
| 产品名称: | 628/9-2Z轴承 | 品牌: | SKF |
|---|---|---|---|
| 类型: | SKF轴承 > 滚动轴承 > 深沟球轴承 | ||
| 描述: | 628/9-2Z轴承是【SKF轴承 > 滚动轴承 > 深沟球轴承】的型号,主要用在变速器、罗茨鼓风机、提升机、建筑机械、破碎机、制铁制钢机械、立式电动机、洗染、堆取料机、正面吊等各大领域 | ||
电话/微信:138-8949-5179
SKF 628/9-2Z轴承详细信息
628/9-2Z轴承是【SKF轴承 > 滚动轴承 > 深沟球轴承】的型号,主要用在变速器、罗茨鼓风机、提升机、建筑机械、破碎机、制铁制钢机械、立式电动机、洗染、堆取料机、正面吊等各大领域。
SKF 628/9-2Z轴承详细参数
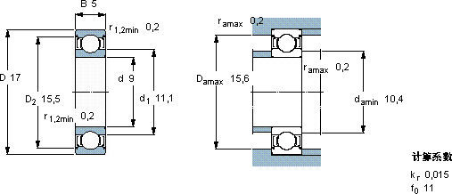
| 深沟球轴承, 单列, 两面防尘罩 | |||||||||||
| 主要数据尺寸 | 基本负荷额定值 | 疲劳负荷限值 | 额定速度 | 体积 | 型号 | ||||||
| 动态 | 静态 | 参照速度 | 限制速度 | ||||||||
| d | D | B | C | C0 | Pu | ||||||
| mm | kN | kN | r/min | kg | - | ||||||
| 9 | 17 | 5 | 1,43 | 0,64 | 0,027 | 85000 | 43000 | 0,0043 | 628/9-2Z | ||
SKF 628/9-2Z轴承尺寸图纸

