轴承专区
Bearings Center
62310-2RS1轴承-SKF 62310-2RS1轴承尺寸、图纸、价格
SKF 62310-2RS1轴承
| 产品名称: | 62310-2RS1轴承 | 品牌: | SKF |
|---|---|---|---|
| 类型: | SKF轴承 > 滚动轴承 > 深沟球轴承 | ||
| 描述: | 62310-2RS1轴承是【SKF轴承 > 滚动轴承 > 深沟球轴承】的型号,主要用在后轮、油泵、木工机械、机床主轴、轧钢机辊道子、起重机吊钩、水力发电机、薄膜拉伸、强夯机、港口起重机等各大领域 | ||
电话/微信:138-8949-5179
SKF 62310-2RS1轴承详细信息
62310-2RS1轴承是【SKF轴承 > 滚动轴承 > 深沟球轴承】的型号,主要用在后轮、油泵、木工机械、机床主轴、轧钢机辊道子、起重机吊钩、水力发电机、薄膜拉伸、强夯机、港口起重机等各大领域。
SKF 62310-2RS1轴承详细参数
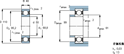
| 深沟球轴承, 单列, 两面密封件 | |||||||||||
| 主要数据尺寸 | 基本负荷额定值 | 疲劳负荷限值 | 额定速度 | 体积 | 型号 | ||||||
| 动态 | 静态 | 参照速度 | 限制速度 | ||||||||
| d | D | B | C | C0 | Pu | ||||||
| mm | kN | kN | r/min | kg | - | ||||||
| 50 | 110 | 40 | 61,8 | 38 | 1,6 | - | 4300 | 1,55 | 62310-2RS1 | ||
SKF 62310-2RS1轴承尺寸图纸

