轴承专区
Bearings Center
6228轴承-SKF 6228轴承尺寸、图纸、价格
SKF 6228轴承
| 产品名称: | 6228轴承 | 品牌: | SKF |
|---|---|---|---|
| 类型: | SKF轴承 > 滚动轴承 > 深沟球轴承 | ||
| 描述: | 6228轴承是【SKF轴承 > 滚动轴承 > 深沟球轴承】的型号,主要用在铁路车辆、燃料喷射泵、燃汽轮机、齿轮减速装置、造纸机械、石油钻机、冶炼厂、饮料设备、解体机、正面吊等各大领域 | ||
电话/微信:138-8949-5179
SKF 6228轴承详细信息
6228轴承是【SKF轴承 > 滚动轴承 > 深沟球轴承】的型号,主要用在铁路车辆、燃料喷射泵、燃汽轮机、齿轮减速装置、造纸机械、石油钻机、冶炼厂、饮料设备、解体机、正面吊等各大领域。
SKF 6228轴承详细参数
| 深沟球轴承, 单列, 无密封件 | |||||||||||
| 主要数据尺寸 | 基本负荷额定值 | 疲劳负荷限值 | 额定速度 | 体积 | 型号 | ||||||
| 动态 | 静态 | 参照速度 | 限制速度 | ||||||||
| d | D | B | C | C0 | Pu | ||||||
| mm | kN | kN | r/min | kg | - | ||||||
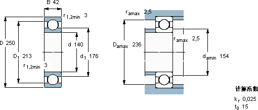
| 140 | 250 | 42 | 165 | 150 | 4,55 | 5300 | 3400 | 7,45 | 6228 | ||
SKF 6228轴承尺寸图纸

