轴承专区
Bearings Center
6214-RS1 *轴承-SKF 6214-RS1 *轴承尺寸、图纸、价格
SKF 6214-RS1 *轴承
| 产品名称: | 6214-RS1 *轴承 | 品牌: | SKF |
|---|---|---|---|
| 类型: | SKF轴承 > 滚动轴承 > 深沟球轴承 | ||
| 描述: | 6214-RS1 *轴承是【SKF轴承 > 滚动轴承 > 深沟球轴承】的型号,主要用在电气装置部件、燃料喷射泵、挖土机履带轮、齿轮减速装置、轧钢机辊道子、石油钻机、船舶用螺旋桨轴、塑料、给料机械、伽玛等各大领域 | ||
电话/微信:138-8949-5179
SKF 6214-RS1 *轴承详细信息
6214-RS1 *轴承是【SKF轴承 > 滚动轴承 > 深沟球轴承】的型号,主要用在电气装置部件、燃料喷射泵、挖土机履带轮、齿轮减速装置、轧钢机辊道子、石油钻机、船舶用螺旋桨轴、塑料、给料机械、伽玛等各大领域。
SKF 6214-RS1 *轴承详细参数
| 深沟球轴承, 单列, 单面密封件 | |||||||||||
| 主要数据尺寸 | 基本负荷额定值 | 疲劳负荷限值 | 额定速度 | 体积 | 型号 | ||||||
| 动态 | 静态 | 参照速度 | 限制速度 | ||||||||
| d | D | B | C | C0 | Pu | * - SKF Explorer 轴承 | |||||
| mm | kN | kN | r/min | kg | - | ||||||
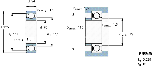
| 70 | 125 | 24 | 63,7 | 45 | 1,9 | - | 3400 | 1,10 | 6214-RS1 * | ||
SKF 6214-RS1 *轴承尺寸图纸

