李工:138-8949-5179 刘工:135-0428-8802
型号查询
轴承型号   常见搜索: 6001轴承 6205轴承 2025轴承 6024轴承 23136轴承 6305轴承
型号查询 X

轴承专区

Bearings Center

6210 N *轴承-SKF 6210 N *轴承尺寸、图纸、价格

SKF 6210 N *轴承

产品名称:6210 N *轴承 品牌:SKF
类型:SKF轴承 > 滚动轴承 > 深沟球轴承
描述:6210 N *轴承是【SKF轴承 > 滚动轴承 > 深沟球轴承】的型号,主要用在内燃机、小型汽车前轮、桥式起重机、差速器、振动筛、耕耘机、挤压机、饮料设备、平地机、码垛机器人等各大领域

 电话/微信:138-8949-5179

SKF 6210 N *轴承详细信息

6210 N *轴承是【SKF轴承 > 滚动轴承 > 深沟球轴承】的型号,主要用在内燃机、小型汽车前轮、桥式起重机、差速器、振动筛、耕耘机、挤压机、饮料设备、平地机、码垛机器人等各大领域。

SKF 6210 N *轴承详细参数

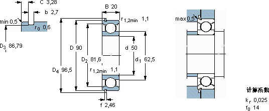
深沟球轴承, 单列,带止动环槽, 无密封件
主要数据尺寸基本负荷额定值疲劳负荷限值额定速度体积型号
动态静态参照速度限制速度轴承止动环
(R = 带止动环)
dDBCC0Pu * - SKF Explorer 轴承
mmkNkNr/minkg-
50902037,123,20,9815000100000,466210 N *SP 90

SKF 6210 N *轴承尺寸图纸

李工:138-8949-5179

刘工:135-0428-8802

地址:辽宁省大连经济技术开发区现代城3栋-13-13号

在线客服系统