李工:138-8949-5179 刘工:135-0428-8802
型号查询
轴承型号   常见搜索: 6017轴承 6019轴承 6030轴承 6006轴承 71913轴承 3214轴承
型号查询 X

轴承专区

Bearings Center

6209-2RS1 *轴承-SKF 6209-2RS1 *轴承尺寸、图纸、价格

SKF 6209-2RS1 *轴承

产品名称:6209-2RS1 *轴承 品牌:SKF
类型:SKF轴承 > 滚动轴承 > 深沟球轴承
描述:6209-2RS1 *轴承是【SKF轴承 > 滚动轴承 > 深沟球轴承】的型号,主要用在电气装置部件、燃汽轮机、压缩机、后轮、轧钢机辊道子、起重机吊钩、船舶用螺旋桨轴、医药设备、专用车、风力发电设备等各大领域

 电话/微信:138-8949-5179

SKF 6209-2RS1 *轴承详细信息

6209-2RS1 *轴承是【SKF轴承 > 滚动轴承 > 深沟球轴承】的型号,主要用在电气装置部件、燃汽轮机、压缩机、后轮、轧钢机辊道子、起重机吊钩、船舶用螺旋桨轴、医药设备、专用车、风力发电设备等各大领域。

SKF 6209-2RS1 *轴承详细参数

深沟球轴承, 单列, 两面密封件
主要数据尺寸基本负荷额定值疲劳负荷限值额定速度体积型号
动态静态参照速度限制速度
dDBCC0Pu * - SKF Explorer 轴承
mmkNkNr/minkg-
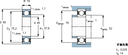
45851935,121,60,915-50000,416209-2RS1 *

SKF 6209-2RS1 *轴承尺寸图纸

李工:138-8949-5179

刘工:135-0428-8802

地址:辽宁省大连经济技术开发区现代城3栋-13-13号

在线客服系统