轴承专区
Bearings Center
6208-2ZNR *轴承-SKF 6208-2ZNR *轴承尺寸、图纸、价格
SKF 6208-2ZNR *轴承
| 产品名称: | 6208-2ZNR *轴承 | 品牌: | SKF |
|---|---|---|---|
| 类型: | SKF轴承 > 滚动轴承 > 深沟球轴承 | ||
| 描述: | 6208-2ZNR *轴承是【SKF轴承 > 滚动轴承 > 深沟球轴承】的型号,主要用在飞机喷气式发动机、油泵、中型及大型电动机、机床主轴、轧钢机辊道子、起重机吊钩、燃机、纺织、专用车、坦克等各大领域 | ||
电话/微信:138-8949-5179
SKF 6208-2ZNR *轴承详细信息
6208-2ZNR *轴承是【SKF轴承 > 滚动轴承 > 深沟球轴承】的型号,主要用在飞机喷气式发动机、油泵、中型及大型电动机、机床主轴、轧钢机辊道子、起重机吊钩、燃机、纺织、专用车、坦克等各大领域。
SKF 6208-2ZNR *轴承详细参数
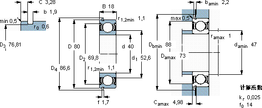
| 深沟球轴承, 单列,带止动环槽, 两面防尘罩 | |||||||||||
| 主要数据尺寸 | 基本负荷额定值 | 疲劳负荷限值 | 额定速度 | 体积 | 型号 | ||||||
| 动态 | 静态 | 参照速度 | 限制速度 | 轴承 | 止动环 | ||||||
| (R = 带止动环) | |||||||||||
| d | D | B | C | C0 | Pu | * - SKF Explorer 轴承 | |||||
| mm | kN | kN | r/min | kg | - | ||||||
| 40 | 80 | 18 | 32,5 | 19 | 0,8 | 18000 | 9000 | 0,37 | 6208-2ZNR * | SP 80 | |
SKF 6208-2ZNR *轴承尺寸图纸

