李工:138-8949-5179 刘工:135-0428-8802
型号查询
轴承型号   常见搜索: 2026轴承 6005轴承 3214轴承 688a轴承 6013轴承 71913轴承
型号查询 X

轴承专区

Bearings Center

6206 ETN9轴承-SKF 6206 ETN9轴承尺寸、图纸、价格

SKF 6206 ETN9轴承

产品名称:6206 ETN9轴承 品牌:SKF
类型:SKF轴承 > 滚动轴承 > 深沟球轴承
描述:6206 ETN9轴承是【SKF轴承 > 滚动轴承 > 深沟球轴承】的型号,主要用在铁路车辆、小型汽车前轮、提升机、差速器、木工机械、耕耘机、冶炼厂、制鞋、平地机、正面吊等各大领域

 电话/微信:138-8949-5179

SKF 6206 ETN9轴承详细信息

6206 ETN9轴承是【SKF轴承 > 滚动轴承 > 深沟球轴承】的型号,主要用在铁路车辆、小型汽车前轮、提升机、差速器、木工机械、耕耘机、冶炼厂、制鞋、平地机、正面吊等各大领域。

SKF 6206 ETN9轴承详细参数

深沟球轴承, 单列, 无密封件
主要数据尺寸基本负荷额定值疲劳负荷限值额定速度体积型号
动态静态参照速度限制速度
dDBCC0Pu
mmkNkNr/minkg-
30621623,412,90,5424000150000,196206 ETN9

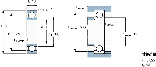
SKF 6206 ETN9轴承尺寸图纸

李工:138-8949-5179

刘工:135-0428-8802

地址:辽宁省大连经济技术开发区现代城3栋-13-13号

在线客服系统