轴承专区
Bearings Center
61930 MA轴承-SKF 61930 MA轴承尺寸、图纸、价格
SKF 61930 MA轴承
| 产品名称: | 61930 MA轴承 | 品牌: | SKF |
|---|---|---|---|
| 类型: | SKF轴承 > 滚动轴承 > 深沟球轴承 | ||
| 描述: | 61930 MA轴承是【SKF轴承 > 滚动轴承 > 深沟球轴承】的型号,主要用在各种产业机械、高频马达、变速器、前轮、轧钢机齿轮箱座、机床等的变速装置、发电厂、陶瓷机械、压路机、冶金起重机等各大领域 | ||
电话/微信:138-8949-5179
SKF 61930 MA轴承详细信息
61930 MA轴承是【SKF轴承 > 滚动轴承 > 深沟球轴承】的型号,主要用在各种产业机械、高频马达、变速器、前轮、轧钢机齿轮箱座、机床等的变速装置、发电厂、陶瓷机械、压路机、冶金起重机等各大领域。
SKF 61930 MA轴承详细参数
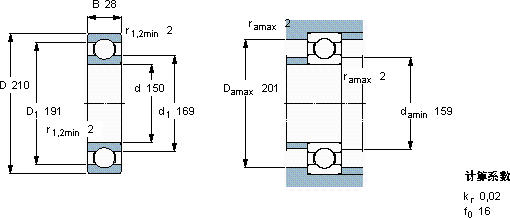
| 深沟球轴承, 单列, 无密封件 | |||||||||||
| 主要数据尺寸 | 基本负荷额定值 | 疲劳负荷限值 | 额定速度 | 体积 | 型号 | ||||||
| 动态 | 静态 | 参照速度 | 限制速度 | ||||||||
| d | D | B | C | C0 | Pu | ||||||
| mm | kN | kN | r/min | kg | - | ||||||
| 150 | 210 | 28 | 88,4 | 93 | 2,9 | 6300 | 5300 | 3,05 | 61930 MA | ||
SKF 61930 MA轴承尺寸图纸

