轴承专区
Bearings Center
61924轴承-SKF 61924轴承尺寸、图纸、价格
SKF 61924轴承
| 产品名称: | 61924轴承 | 品牌: | SKF |
|---|---|---|---|
| 类型: | SKF轴承 > 滚动轴承 > 深沟球轴承 | ||
| 描述: | 61924轴承是【SKF轴承 > 滚动轴承 > 深沟球轴承】的型号,主要用在变速器、印刷机械、泵、轧钢机辊颈、破碎机、石油钻机转环、立式电动机、啤酒、轻工机械、吹氧装置等各大领域 | ||
电话/微信:138-8949-5179
SKF 61924轴承详细信息
61924轴承是【SKF轴承 > 滚动轴承 > 深沟球轴承】的型号,主要用在变速器、印刷机械、泵、轧钢机辊颈、破碎机、石油钻机转环、立式电动机、啤酒、轻工机械、吹氧装置等各大领域。
SKF 61924轴承详细参数
| 深沟球轴承, 单列, 无密封件 | |||||||||||
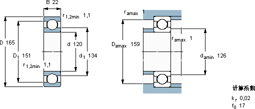
| 主要数据尺寸 | 基本负荷额定值 | 疲劳负荷限值 | 额定速度 | 体积 | 型号 | ||||||
| 动态 | 静态 | 参照速度 | 限制速度 | ||||||||
| d | D | B | C | C0 | Pu | ||||||
| mm | kN | kN | r/min | kg | - | ||||||
| 120 | 165 | 22 | 55,3 | 57 | 2,04 | 8000 | 5000 | 1,20 | 61924 | ||
SKF 61924轴承尺寸图纸

