轴承专区
Bearings Center
61919-2RS1轴承-SKF 61919-2RS1轴承尺寸、图纸、价格
SKF 61919-2RS1轴承
| 产品名称: | 61919-2RS1轴承 | 品牌: | SKF |
|---|---|---|---|
| 类型: | SKF轴承 > 滚动轴承 > 深沟球轴承 | ||
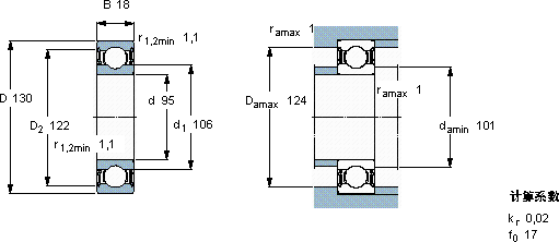
| 描述: | 61919-2RS1轴承是【SKF轴承 > 滚动轴承 > 深沟球轴承】的型号,主要用在燃汽轮机、印刷机械、纺织机械传动轴、轧钢机辊颈、轧钢机齿轮箱座、石油钻机转环、电机厂、纺织、凿岩机械、数控设备等各大领域 | ||
电话/微信:138-8949-5179
SKF 61919-2RS1轴承详细信息
61919-2RS1轴承是【SKF轴承 > 滚动轴承 > 深沟球轴承】的型号,主要用在燃汽轮机、印刷机械、纺织机械传动轴、轧钢机辊颈、轧钢机齿轮箱座、石油钻机转环、电机厂、纺织、凿岩机械、数控设备等各大领域。
SKF 61919-2RS1轴承详细参数
| 深沟球轴承, 单列, 两面密封件 | |||||||||||
| 主要数据尺寸 | 基本负荷额定值 | 疲劳负荷限值 | 额定速度 | 体积 | 型号 | ||||||
| 动态 | 静态 | 参照速度 | 限制速度 | ||||||||
| d | D | B | C | C0 | Pu | ||||||
| mm | kN | kN | r/min | kg | - | ||||||
| 95 | 130 | 18 | 33,8 | 33,5 | 1,43 | - | 3000 | 0,61 | 61919-2RS1 | ||
SKF 61919-2RS1轴承尺寸图纸

