轴承专区
Bearings Center
61917轴承-SKF 61917轴承尺寸、图纸、价格
SKF 61917轴承
| 产品名称: | 61917轴承 | 品牌: | SKF |
|---|---|---|---|
| 类型: | SKF轴承 > 滚动轴承 > 深沟球轴承 | ||
| 描述: | 61917轴承是【SKF轴承 > 滚动轴承 > 深沟球轴承】的型号,主要用在农业机械、燃汽轮机、泵、后轮、木工机械、石油钻机、钢铁厂、医药设备、给料机械、刮泥机等各大领域 | ||
电话/微信:138-8949-5179
SKF 61917轴承详细信息
61917轴承是【SKF轴承 > 滚动轴承 > 深沟球轴承】的型号,主要用在农业机械、燃汽轮机、泵、后轮、木工机械、石油钻机、钢铁厂、医药设备、给料机械、刮泥机等各大领域。
SKF 61917轴承详细参数
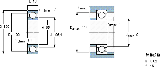
| 深沟球轴承, 单列, 无密封件 | |||||||||||
| 主要数据尺寸 | 基本负荷额定值 | 疲劳负荷限值 | 额定速度 | 体积 | 型号 | ||||||
| 动态 | 静态 | 参照速度 | 限制速度 | ||||||||
| d | D | B | C | C0 | Pu | ||||||
| mm | kN | kN | r/min | kg | - | ||||||
| 85 | 120 | 18 | 31,9 | 30 | 1,25 | 11000 | 7000 | 0,55 | 61917 | ||
SKF 61917轴承尺寸图纸

