轴承专区
Bearings Center
61909轴承-SKF 61909轴承尺寸、图纸、价格
SKF 61909轴承
| 产品名称: | 61909轴承 | 品牌: | SKF |
|---|---|---|---|
| 类型: | SKF轴承 > 滚动轴承 > 深沟球轴承 | ||
| 描述: | 61909轴承是【SKF轴承 > 滚动轴承 > 深沟球轴承】的型号,主要用在仪表、离心分离机、纺织机械传动轴、变速器、轧钢机齿轮箱座、制铁制钢机械、碾煤机、薄膜拉伸、堆取料机、坦克等各大领域 | ||
电话/微信:138-8949-5179
SKF 61909轴承详细信息
61909轴承是【SKF轴承 > 滚动轴承 > 深沟球轴承】的型号,主要用在仪表、离心分离机、纺织机械传动轴、变速器、轧钢机齿轮箱座、制铁制钢机械、碾煤机、薄膜拉伸、堆取料机、坦克等各大领域。
SKF 61909轴承详细参数
| 深沟球轴承, 单列, 无密封件 | |||||||||||
| 主要数据尺寸 | 基本负荷额定值 | 疲劳负荷限值 | 额定速度 | 体积 | 型号 | ||||||
| 动态 | 静态 | 参照速度 | 限制速度 | ||||||||
| d | D | B | C | C0 | Pu | ||||||
| mm | kN | kN | r/min | kg | - | ||||||
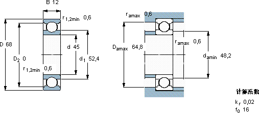
| 45 | 68 | 12 | 14 | 10,8 | 0,465 | 20000 | 13000 | 0,14 | 61909 | ||
SKF 61909轴承尺寸图纸

