轴承专区
Bearings Center
619/9-2Z轴承-SKF 619/9-2Z轴承尺寸、图纸、价格
SKF 619/9-2Z轴承
| 产品名称: | 619/9-2Z轴承 | 品牌: | SKF |
|---|---|---|---|
| 类型: | SKF轴承 > 滚动轴承 > 深沟球轴承 | ||
| 描述: | 619/9-2Z轴承是【SKF轴承 > 滚动轴承 > 深沟球轴承】的型号,主要用在家用电器、燃料喷射泵、木工机械、齿轮减速装置、木工机械、起重机吊钩、塔吊、啤酒、强夯机、冶金起重机等各大领域 | ||
电话/微信:138-8949-5179
SKF 619/9-2Z轴承详细信息
619/9-2Z轴承是【SKF轴承 > 滚动轴承 > 深沟球轴承】的型号,主要用在家用电器、燃料喷射泵、木工机械、齿轮减速装置、木工机械、起重机吊钩、塔吊、啤酒、强夯机、冶金起重机等各大领域。
SKF 619/9-2Z轴承详细参数
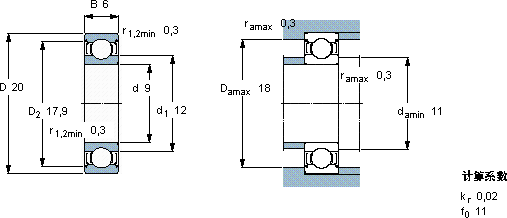
| 深沟球轴承, 单列, 两面防尘罩 | |||||||||||
| 主要数据尺寸 | 基本负荷额定值 | 疲劳负荷限值 | 额定速度 | 体积 | 型号 | ||||||
| 动态 | 静态 | 参照速度 | 限制速度 | ||||||||
| d | D | B | C | C0 | Pu | ||||||
| mm | kN | kN | r/min | kg | - | ||||||
| 9 | 20 | 6 | 2,08 | 0,865 | 0,036 | 80000 | 38000 | 0,0076 | 619/9-2Z | ||
SKF 619/9-2Z轴承尺寸图纸

