李工:138-8949-5179 刘工:135-0428-8802
型号查询
轴承型号   常见搜索: 6012轴承 6022轴承 6018轴承 6019轴承 32313轴承 23136轴承
型号查询 X

轴承专区

Bearings Center

619/630 N1MA轴承-SKF 619/630 N1MA轴承尺寸、图纸、价格

SKF 619/630 N1MA轴承

产品名称:619/630 N1MA轴承 品牌:SKF
类型:SKF轴承 > 滚动轴承 > 深沟球轴承
描述:619/630 N1MA轴承是【SKF轴承 > 滚动轴承 > 深沟球轴承】的型号,主要用在电气装置部件、燃汽轮机、挖土机履带轮、后轮、木工机械、起重机吊钩、船舶用螺旋桨轴、纺织、强夯机、风力发电设备等各大领域

 电话/微信:138-8949-5179

SKF 619/630 N1MA轴承详细信息

619/630 N1MA轴承是【SKF轴承 > 滚动轴承 > 深沟球轴承】的型号,主要用在电气装置部件、燃汽轮机、挖土机履带轮、后轮、木工机械、起重机吊钩、船舶用螺旋桨轴、纺织、强夯机、风力发电设备等各大领域。

SKF 619/630 N1MA轴承详细参数

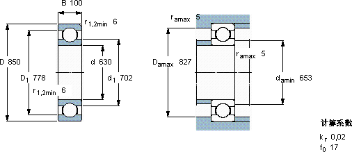
深沟球轴承, 单列, 于外圈的一个带定位槽
主要数据尺寸基本负荷额定值疲劳负荷限值额定速度体积型号
动态静态参照速度限制速度
dDBCC0Pu
mmkNkNr/minkg-
630850100624134021,213001100160619/630 N1MA

SKF 619/630 N1MA轴承尺寸图纸

李工:138-8949-5179

刘工:135-0428-8802

地址:辽宁省大连经济技术开发区现代城3栋-13-13号

在线客服系统