轴承专区
Bearings Center
61824轴承-SKF 61824轴承尺寸、图纸、价格
SKF 61824轴承
| 产品名称: | 61824轴承 | 品牌: | SKF |
|---|---|---|---|
| 类型: | SKF轴承 > 滚动轴承 > 深沟球轴承 | ||
| 描述: | 61824轴承是【SKF轴承 > 滚动轴承 > 深沟球轴承】的型号,主要用在飞机喷气式发动机、空气压缩机、减速装置、大型农业机械、铁路车辆车轴、耕耘机、燃机、洗染、地基处理机械、钢包回转台等各大领域 | ||
电话/微信:138-8949-5179
SKF 61824轴承详细信息
61824轴承是【SKF轴承 > 滚动轴承 > 深沟球轴承】的型号,主要用在飞机喷气式发动机、空气压缩机、减速装置、大型农业机械、铁路车辆车轴、耕耘机、燃机、洗染、地基处理机械、钢包回转台等各大领域。
SKF 61824轴承详细参数
| 深沟球轴承, 单列, 无密封件 | |||||||||||
| 主要数据尺寸 | 基本负荷额定值 | 疲劳负荷限值 | 额定速度 | 体积 | 型号 | ||||||
| 动态 | 静态 | 参照速度 | 限制速度 | ||||||||
| d | D | B | C | C0 | Pu | ||||||
| mm | kN | kN | r/min | kg | - | ||||||
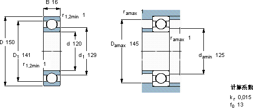
| 120 | 150 | 16 | 29,1 | 28 | 1,29 | 8500 | 5300 | 0,65 | 61824 | ||
SKF 61824轴承尺寸图纸

