轴承专区
Bearings Center
61814-2RZ轴承-SKF 61814-2RZ轴承尺寸、图纸、价格
SKF 61814-2RZ轴承
| 产品名称: | 61814-2RZ轴承 | 品牌: | SKF |
|---|---|---|---|
| 类型: | SKF轴承 > 滚动轴承 > 深沟球轴承 | ||
| 描述: | 61814-2RZ轴承是【SKF轴承 > 滚动轴承 > 深沟球轴承】的型号,主要用在通用电动机、各类变速器、挖土机履带轮、铁路车辆、减速装置、机床等的变速装置、轧钢机轧制螺杆用减速机、钟表、工程船舶、太阳能发电设备等各大领域 | ||
电话/微信:138-8949-5179
SKF 61814-2RZ轴承详细信息
61814-2RZ轴承是【SKF轴承 > 滚动轴承 > 深沟球轴承】的型号,主要用在通用电动机、各类变速器、挖土机履带轮、铁路车辆、减速装置、机床等的变速装置、轧钢机轧制螺杆用减速机、钟表、工程船舶、太阳能发电设备等各大领域。
SKF 61814-2RZ轴承详细参数
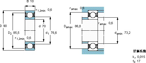
| 深沟球轴承, 单列, 低摩擦两面密封件 | |||||||||||
| 主要数据尺寸 | 基本负荷额定值 | 疲劳负荷限值 | 额定速度 | 体积 | 型号 | ||||||
| 动态 | 静态 | 参照速度 | 限制速度 | ||||||||
| d | D | B | C | C0 | Pu | ||||||
| mm | kN | kN | r/min | kg | - | ||||||
| 70 | 90 | 10 | 12,4 | 13,2 | 0,56 | 15000 | 7500 | 0,14 | 61814-2RZ | ||
SKF 61814-2RZ轴承尺寸图纸

