李工:138-8949-5179 刘工:135-0428-8802
型号查询
轴承型号   常见搜索: 6024轴承 6002轴承 32313轴承 688a轴承 6005轴承 71913轴承
型号查询 X

轴承专区

Bearings Center

61808轴承-SKF 61808轴承尺寸、图纸、价格

SKF 61808轴承

产品名称:61808轴承 品牌:SKF
类型:SKF轴承 > 滚动轴承 > 深沟球轴承
描述:61808轴承是【SKF轴承 > 滚动轴承 > 深沟球轴承】的型号,主要用在建筑机械、印刷机械、木工机械、轧钢机辊颈、轧钢机齿轮箱座、制铁制钢机械、成形机、医药设备、起重机械、焊接机器人等各大领域

 电话/微信:138-8949-5179

SKF 61808轴承详细信息

61808轴承是【SKF轴承 > 滚动轴承 > 深沟球轴承】的型号,主要用在建筑机械、印刷机械、木工机械、轧钢机辊颈、轧钢机齿轮箱座、制铁制钢机械、成形机、医药设备、起重机械、焊接机器人等各大领域。

SKF 61808轴承详细参数

深沟球轴承, 单列, 无密封件
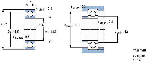
主要数据尺寸基本负荷额定值疲劳负荷限值额定速度体积型号
动态静态参照速度限制速度
dDBCC0Pu
mmkNkNr/minkg-
405274,943,450,18626000160000,03461808

SKF 61808轴承尺寸图纸

李工:138-8949-5179

刘工:135-0428-8802

地址:辽宁省大连经济技术开发区现代城3栋-13-13号

在线客服系统