轴承专区
Bearings Center
61803-2Z轴承-SKF 61803-2Z轴承尺寸、图纸、价格
SKF 61803-2Z轴承
| 产品名称: | 61803-2Z轴承 | 品牌: | SKF |
|---|---|---|---|
| 类型: | SKF轴承 > 滚动轴承 > 深沟球轴承 | ||
| 描述: | 61803-2Z轴承是【SKF轴承 > 滚动轴承 > 深沟球轴承】的型号,主要用在内燃机、油泵、桥式起重机、机床主轴、振动筛、起重机吊钩、挤压机、玩具、强夯机、抓钢机等各大领域 | ||
电话/微信:138-8949-5179
SKF 61803-2Z轴承详细信息
61803-2Z轴承是【SKF轴承 > 滚动轴承 > 深沟球轴承】的型号,主要用在内燃机、油泵、桥式起重机、机床主轴、振动筛、起重机吊钩、挤压机、玩具、强夯机、抓钢机等各大领域。
SKF 61803-2Z轴承详细参数
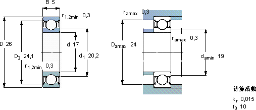
| 深沟球轴承, 单列, 两面防尘罩 | |||||||||||
| 主要数据尺寸 | 基本负荷额定值 | 疲劳负荷限值 | 额定速度 | 体积 | 型号 | ||||||
| 动态 | 静态 | 参照速度 | 限制速度 | ||||||||
| d | D | B | C | C0 | Pu | ||||||
| mm | kN | kN | r/min | kg | - | ||||||
| 17 | 26 | 5 | 1,68 | 0,93 | 0,039 | 56000 | 28000 | 0,0082 | 61803-2Z | ||
SKF 61803-2Z轴承尺寸图纸

