轴承专区
Bearings Center
60980 M轴承-SKF 60980 M轴承尺寸、图纸、价格
SKF 60980 M轴承
| 产品名称: | 60980 M轴承 | 品牌: | SKF |
|---|---|---|---|
| 类型: | SKF轴承 > 滚动轴承 > 深沟球轴承 | ||
| 描述: | 60980 M轴承是【SKF轴承 > 滚动轴承 > 深沟球轴承】的型号,主要用在飞机喷气式发动机、小型汽车前轮、中型及大型电动机、差速器、铁路车辆车轴、汽车转向销、燃机、饮料设备、掘进机、厨具设备等各大领域 | ||
电话/微信:138-8949-5179
SKF 60980 M轴承详细信息
60980 M轴承是【SKF轴承 > 滚动轴承 > 深沟球轴承】的型号,主要用在飞机喷气式发动机、小型汽车前轮、中型及大型电动机、差速器、铁路车辆车轴、汽车转向销、燃机、饮料设备、掘进机、厨具设备等各大领域。
SKF 60980 M轴承详细参数
| 深沟球轴承, 单列, 无密封件 | |||||||||||
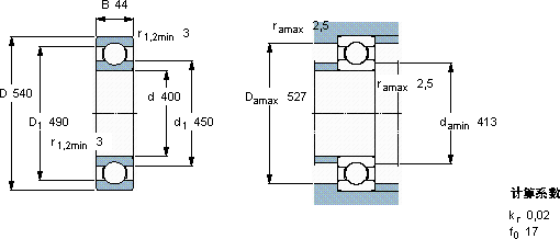
| 主要数据尺寸 | 基本负荷额定值 | 疲劳负荷限值 | 额定速度 | 体积 | 型号 | ||||||
| 动态 | 静态 | 参照速度 | 限制速度 | ||||||||
| d | D | B | C | C0 | Pu | ||||||
| mm | kN | kN | r/min | kg | - | ||||||
| 400 | 540 | 44 | 265 | 440 | 8,5 | 2200 | 1800 | 27,5 | 60980 M | ||
SKF 60980 M轴承尺寸图纸

