李工:138-8949-5179 刘工:135-0428-8802
型号查询
轴承型号   常见搜索: 3214轴承 6014轴承 6021轴承 22222轴承 6028轴承 6017轴承
型号查询 X

轴承专区

Bearings Center

609-Z *轴承-SKF 609-Z *轴承尺寸、图纸、价格

SKF 609-Z *轴承

产品名称:609-Z *轴承 品牌:SKF
类型:SKF轴承 > 滚动轴承 > 深沟球轴承
描述:609-Z *轴承是【SKF轴承 > 滚动轴承 > 深沟球轴承】的型号,主要用在各种产业机械、差速器小齿轮轴、变速器、小齿轮轴、破碎机、机床等的变速装置、发电厂、化纤机械、工程船舶、雷达等各大领域

 电话/微信:138-8949-5179

SKF 609-Z *轴承详细信息

609-Z *轴承是【SKF轴承 > 滚动轴承 > 深沟球轴承】的型号,主要用在各种产业机械、差速器小齿轮轴、变速器、小齿轮轴、破碎机、机床等的变速装置、发电厂、化纤机械、工程船舶、雷达等各大领域。

SKF 609-Z *轴承详细参数

深沟球轴承, 单列, 单面防尘罩
主要数据尺寸基本负荷额定值疲劳负荷限值额定速度体积型号
动态静态参照速度限制速度
dDBCC0Pu * - SKF Explorer 轴承
mmkNkNr/minkg-
92473,91,660,07170000430000,014609-Z *

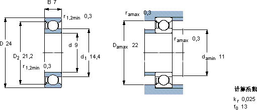
SKF 609-Z *轴承尺寸图纸

李工:138-8949-5179

刘工:135-0428-8802

地址:辽宁省大连经济技术开发区现代城3栋-13-13号

在线客服系统