轴承专区
Bearings Center
607-RSL *轴承-SKF 607-RSL *轴承尺寸、图纸、价格
SKF 607-RSL *轴承
| 产品名称: | 607-RSL *轴承 | 品牌: | SKF |
|---|---|---|---|
| 类型: | SKF轴承 > 滚动轴承 > 深沟球轴承 | ||
| 描述: | 607-RSL *轴承是【SKF轴承 > 滚动轴承 > 深沟球轴承】的型号,主要用在仪表、差速器小齿轮轴、桥式起重机、小齿轮轴、印刷机械、机床等的变速装置、碾煤机、钟表、工程船舶、钢包回转台等各大领域 | ||
电话/微信:138-8949-5179
SKF 607-RSL *轴承详细信息
607-RSL *轴承是【SKF轴承 > 滚动轴承 > 深沟球轴承】的型号,主要用在仪表、差速器小齿轮轴、桥式起重机、小齿轮轴、印刷机械、机床等的变速装置、碾煤机、钟表、工程船舶、钢包回转台等各大领域。
SKF 607-RSL *轴承详细参数
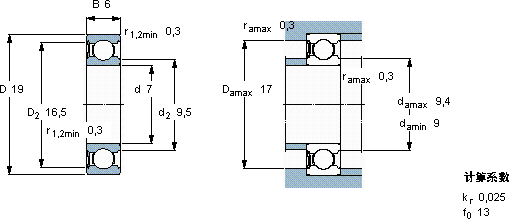
| 深沟球轴承, 单列, 低摩擦单面密封件 | |||||||||||
| 主要数据尺寸 | 基本负荷额定值 | 疲劳负荷限值 | 额定速度 | 体积 | 型号 | ||||||
| 动态 | 静态 | 参照速度 | 限制速度 | ||||||||
| d | D | B | C | C0 | Pu | * - SKF Explorer 轴承 | |||||
| mm | kN | kN | r/min | kg | - | ||||||
| 7 | 19 | 6 | 2,34 | 0,95 | 0,04 | 85000 | 53000 | 0,0075 | 607-RSL * | ||
SKF 607-RSL *轴承尺寸图纸

