轴承专区
Bearings Center
6032-2Z轴承-SKF 6032-2Z轴承尺寸、图纸、价格
SKF 6032-2Z轴承
| 产品名称: | 6032-2Z轴承 | 品牌: | SKF |
|---|---|---|---|
| 类型: | SKF轴承 > 滚动轴承 > 深沟球轴承 | ||
| 描述: | 6032-2Z轴承是【SKF轴承 > 滚动轴承 > 深沟球轴承】的型号,主要用在飞机喷气式发动机、小型汽车前轮、挖土机履带轮、差速器、木工机械、耕耘机、燃机、医药设备、平地机、厨具设备等各大领域 | ||
电话/微信:138-8949-5179
SKF 6032-2Z轴承详细信息
6032-2Z轴承是【SKF轴承 > 滚动轴承 > 深沟球轴承】的型号,主要用在飞机喷气式发动机、小型汽车前轮、挖土机履带轮、差速器、木工机械、耕耘机、燃机、医药设备、平地机、厨具设备等各大领域。
SKF 6032-2Z轴承详细参数
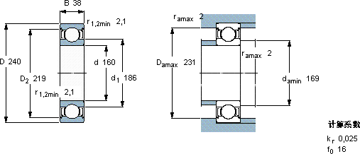
| 深沟球轴承, 单列, 两面防尘罩 | |||||||||||
| 主要数据尺寸 | 基本负荷额定值 | 疲劳负荷限值 | 额定速度 | 体积 | 型号 | ||||||
| 动态 | 静态 | 参照速度 | 限制速度 | ||||||||
| d | D | B | C | C0 | Pu | ||||||
| mm | kN | kN | r/min | kg | - | ||||||
| 160 | 240 | 38 | 143 | 143 | 4,3 | 5600 | 2800 | 5,90 | 6032-2Z | ||
SKF 6032-2Z轴承尺寸图纸

