轴承专区
Bearings Center
6007-2RZTN9/HC5C3WT轴承-SKF 6007-2RZTN9/HC5C3WT轴承尺寸、图纸、价格
SKF 6007-2RZTN9/HC5C3WT轴承
| 产品名称: | 6007-2RZTN9/HC5C3WT轴承 | 品牌: | SKF |
|---|---|---|---|
| 类型: | SKF轴承 > 滚动轴承 > 工程产品 | ||
| 描述: | 6007-2RZTN9/HC5C3WT轴承是【SKF轴承 > 滚动轴承 > 工程产品】的型号,主要用在装卸搬运机械、各类变速器、桥式起重机、铁路车辆、印刷机械、机床主轴、矿山、破碎、挖掘机、摩天轮等各大领域 | ||
电话/微信:138-8949-5179
SKF 6007-2RZTN9/HC5C3WT轴承详细信息
6007-2RZTN9/HC5C3WT轴承是【SKF轴承 > 滚动轴承 > 工程产品】的型号,主要用在装卸搬运机械、各类变速器、桥式起重机、铁路车辆、印刷机械、机床主轴、矿山、破碎、挖掘机、摩天轮等各大领域。
SKF 6007-2RZTN9/HC5C3WT轴承详细参数
| 深沟球轴承, 单列陶瓷混合轴承, 低摩擦两面密封件 | ||||||||||
| 主要数据尺寸 | 基本负荷额定值 | 疲劳负荷限值 | 额定速度 | 体积 | 型号 | |||||
| 动态 | 静态 | 参照速度 | 限制速度 | |||||||
| d | D | B | C | C0 | Pu | |||||
| mm | kN | kN | r/min | kg | - | |||||
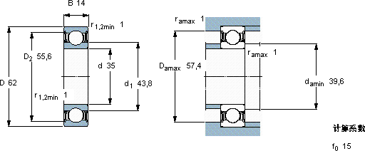
| 35 | 62 | 14 | 16,8 | 10,2 | 0,44 | 30000 | 20000 | 0,15 | 6007-2RZTN9/HC5C3WT | |
SKF 6007-2RZTN9/HC5C3WT轴承尺寸图纸

