轴承专区
Bearings Center
53420 M轴承-SKF 53420 M轴承尺寸、图纸、价格
SKF 53420 M轴承
| 产品名称: | 53420 M轴承 | 品牌: | SKF |
|---|---|---|---|
| 类型: | SKF轴承 > 滚动轴承 > 推力球轴承 | ||
| 描述: | 53420 M轴承是【SKF轴承 > 滚动轴承 > 推力球轴承】的型号,主要用在建筑机械、各类变速器、木工机械、铁路车辆、轧钢机齿轮箱座、机床主轴、成形机、啤酒、挖掘机、港口起重机等各大领域 | ||
电话/微信:138-8949-5179
SKF 53420 M轴承详细信息
53420 M轴承是【SKF轴承 > 滚动轴承 > 推力球轴承】的型号,主要用在建筑机械、各类变速器、木工机械、铁路车辆、轧钢机齿轮箱座、机床主轴、成形机、啤酒、挖掘机、港口起重机等各大领域。
SKF 53420 M轴承详细参数
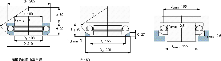
| 推力球轴承, 单向,带球面轴承座垫圈 | ||||||||||||
| 主要数据尺寸 | 基本负荷额定值 | 疲劳负荷限值 | 最小负荷系数 | 额定速度 | 体积 | 型号 | ||||||
| 动态 | 静态 | 参照速度 | 限制速度 | 轴承 +垫圈 | 轴承 | 基座垫圈 | ||||||
| d | D | H1 | C | C0 | Pu | A | ||||||
| mm | kN | kN | - | r/min | kg | - | ||||||
| 100 | 210 | 98 | 371 | 1060 | 31,5 | 5,8 | 950 | 1400 | 18,0 | 53420 M | U420 | |
SKF 53420 M轴承尺寸图纸

