轴承专区
Bearings Center
53411轴承-SKF 53411轴承尺寸、图纸、价格
SKF 53411轴承
| 产品名称: | 53411轴承 | 品牌: | SKF |
|---|---|---|---|
| 类型: | SKF轴承 > 滚动轴承 > 推力球轴承 | ||
| 描述: | 53411轴承是【SKF轴承 > 滚动轴承 > 推力球轴承】的型号,主要用在燃汽轮机、印刷机械、燃汽轮机、轧钢机辊颈、减速装置、制铁制钢机械、电机厂、音像设备、起重机械、数控设备等各大领域 | ||
电话/微信:138-8949-5179
SKF 53411轴承详细信息
53411轴承是【SKF轴承 > 滚动轴承 > 推力球轴承】的型号,主要用在燃汽轮机、印刷机械、燃汽轮机、轧钢机辊颈、减速装置、制铁制钢机械、电机厂、音像设备、起重机械、数控设备等各大领域。
SKF 53411轴承详细参数
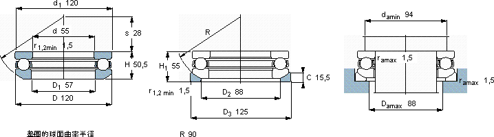
| 推力球轴承, 单向,带球面轴承座垫圈 | ||||||||||||
| 主要数据尺寸 | 基本负荷额定值 | 疲劳负荷限值 | 最小负荷系数 | 额定速度 | 体积 | 型号 | ||||||
| 动态 | 静态 | 参照速度 | 限制速度 | 轴承 +垫圈 | 轴承 | 基座垫圈 | ||||||
| d | D | H1 | C | C0 | Pu | A | ||||||
| mm | kN | kN | - | r/min | kg | - | ||||||
| 55 | 120 | 55 | 178 | 390 | 14,3 | 0,79 | 1800 | 2400 | 3,08 | 53411 | U 411 | |
SKF 53411轴承尺寸图纸

