李工:138-8949-5179 刘工:135-0428-8802
型号查询
轴承型号   常见搜索: 6008轴承 6006轴承 6017轴承 6002轴承 6032轴承 6003轴承
型号查询 X

轴承专区

Bearings Center

53324 M轴承-SKF 53324 M轴承尺寸、图纸、价格

SKF 53324 M轴承

产品名称:53324 M轴承 品牌:SKF
类型:SKF轴承 > 滚动轴承 > 推力球轴承
描述:53324 M轴承是【SKF轴承 > 滚动轴承 > 推力球轴承】的型号,主要用在各种产业机械、高频马达、燃汽轮机、前轮、印刷机械、机床等的变速装置、发电厂、陶瓷机械、压路机、冶金起重机等各大领域

 电话/微信:138-8949-5179

SKF 53324 M轴承详细信息

53324 M轴承是【SKF轴承 > 滚动轴承 > 推力球轴承】的型号,主要用在各种产业机械、高频马达、燃汽轮机、前轮、印刷机械、机床等的变速装置、发电厂、陶瓷机械、压路机、冶金起重机等各大领域。

SKF 53324 M轴承详细参数

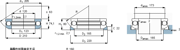
推力球轴承, 单向,带球面轴承座垫圈
主要数据尺寸基本负荷额定值疲劳负荷限值最小负荷系数额定速度体积 型号
动态静态参照速度限制速度轴承 +垫圈轴承基座垫圈
dDH1CC0PuA
mmkNkN-r/minkg-
1202108032598028,551100150012,553324 MU 324

SKF 53324 M轴承尺寸图纸

李工:138-8949-5179

刘工:135-0428-8802

地址:辽宁省大连经济技术开发区现代城3栋-13-13号

在线客服系统