轴承专区
Bearings Center
53228轴承-SKF 53228轴承尺寸、图纸、价格
SKF 53228轴承
| 产品名称: | 53228轴承 | 品牌: | SKF |
|---|---|---|---|
| 类型: | SKF轴承 > 滚动轴承 > 推力球轴承 | ||
| 描述: | 53228轴承是【SKF轴承 > 滚动轴承 > 推力球轴承】的型号,主要用在燃汽轮机、离心分离机、汽车发动机、变速器、各类产业用减速机、石油钻机转环、电机厂、塑料、凿岩机械、抓钢机等各大领域 | ||
电话/微信:138-8949-5179
SKF 53228轴承详细信息
53228轴承是【SKF轴承 > 滚动轴承 > 推力球轴承】的型号,主要用在燃汽轮机、离心分离机、汽车发动机、变速器、各类产业用减速机、石油钻机转环、电机厂、塑料、凿岩机械、抓钢机等各大领域。
SKF 53228轴承详细参数
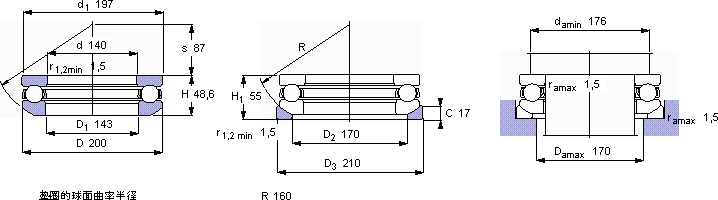
| 推力球轴承, 单向,带球面轴承座垫圈 | ||||||||||||
| 主要数据尺寸 | 基本负荷额定值 | 疲劳负荷限值 | 最小负荷系数 | 额定速度 | 体积 | 型号 | ||||||
| 动态 | 静态 | 参照速度 | 限制速度 | 轴承 +垫圈 | 轴承 | 基座垫圈 | ||||||
| d | D | H1 | C | C0 | Pu | A | ||||||
| mm | kN | kN | - | r/min | kg | - | ||||||
| 140 | 200 | 55 | 190 | 620 | 17,6 | 2 | 1400 | 1900 | 5,45 | 53228 | U 228 | |
SKF 53228轴承尺寸图纸

