李工:138-8949-5179 刘工:135-0428-8802
型号查询
轴承型号   常见搜索: 6214轴承 2026轴承 6007轴承 6909轴承 6026轴承 6030轴承
型号查询 X

轴承专区

Bearings Center

351019 C轴承-SKF 351019 C轴承尺寸、图纸、价格

SKF 351019 C轴承

产品名称:351019 C轴承 品牌:SKF
类型:SKF轴承 > 滚动轴承 > 圆锥滚子推力轴承
描述:351019 C轴承是【SKF轴承 > 滚动轴承 > 圆锥滚子推力轴承】的型号,主要用在铁路车辆、燃料喷射泵、纺织机械传动轴、齿轮减速装置、振动筛、起重机吊钩、冶炼厂、精细化工机械、强夯机、正面吊等各大领域

 电话/微信:138-8949-5179

SKF 351019 C轴承详细信息

351019 C轴承是【SKF轴承 > 滚动轴承 > 圆锥滚子推力轴承】的型号,主要用在铁路车辆、燃料喷射泵、纺织机械传动轴、齿轮减速装置、振动筛、起重机吊钩、冶炼厂、精细化工机械、强夯机、正面吊等各大领域。

SKF 351019 C轴承详细参数

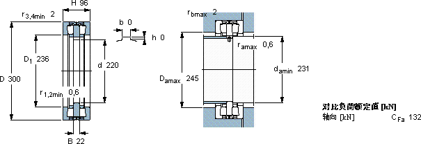
圆锥滚子推力轴承, 双向
主要数据尺寸基本负荷额定值疲劳负荷限值最小负荷系数型号
动态静态
dDHCC0Pu
mmkNkNkg-
22030096440166013220,0351019 C

SKF 351019 C轴承尺寸图纸

李工:138-8949-5179

刘工:135-0428-8802

地址:辽宁省大连经济技术开发区现代城3栋-13-13号

在线客服系统