轴承专区
Bearings Center
350982 C轴承-SKF 350982 C轴承尺寸、图纸、价格
SKF 350982 C轴承
| 产品名称: | 350982 C轴承 | 品牌: | SKF |
|---|---|---|---|
| 类型: | SKF轴承 > 滚动轴承 > 圆锥滚子推力轴承 | ||
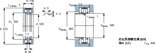
| 描述: | 350982 C轴承是【SKF轴承 > 滚动轴承 > 圆锥滚子推力轴承】的型号,主要用在变速器、差速器小齿轮轴、泵、小齿轮轴、轧钢机齿轮箱座、机床等的变速装置、立式电动机、音像设备、工程船舶、吹氧装置等各大领域 | ||
电话/微信:138-8949-5179
SKF 350982 C轴承详细信息
350982 C轴承是【SKF轴承 > 滚动轴承 > 圆锥滚子推力轴承】的型号,主要用在变速器、差速器小齿轮轴、泵、小齿轮轴、轧钢机齿轮箱座、机床等的变速装置、立式电动机、音像设备、工程船舶、吹氧装置等各大领域。
SKF 350982 C轴承详细参数
| 圆锥滚子推力轴承, 双向 | ||||||||
| 主要数据尺寸 | 基本负荷额定值 | 疲劳负荷限值 | 最小负荷系数 | 型号 | ||||
| 动态 | 静态 | |||||||
| d | D | H | C | C0 | Pu | |||
| mm | kN | kN | kg | - | ||||
| 320 | 470 | 130 | 1300 | 5700 | 405 | 80 | 350982 C | |
SKF 350982 C轴承尺寸图纸

