轴承专区
Bearings Center
3310 A-2RS1/MT33 *轴承-SKF 3310 A-2RS1/MT33 *轴承尺寸、图纸、价格
SKF 3310 A-2RS1/MT33 *轴承
| 产品名称: | 3310 A-2RS1/MT33 *轴承 | 品牌: | SKF |
|---|---|---|---|
| 类型: | SKF轴承 > 滚动轴承 > 角接触球轴承 | ||
| 描述: | 3310 A-2RS1/MT33 *轴承是【SKF轴承 > 滚动轴承 > 角接触球轴承】的型号,主要用在建筑机械、差速器小齿轮轴、纺织机械传动轴、小齿轮轴、印刷机械、机床主轴、成形机、饮料设备、挖掘机、焊接机器人等各大领域 | ||
电话/微信:138-8949-5179
SKF 3310 A-2RS1/MT33 *轴承详细信息
3310 A-2RS1/MT33 *轴承是【SKF轴承 > 滚动轴承 > 角接触球轴承】的型号,主要用在建筑机械、差速器小齿轮轴、纺织机械传动轴、小齿轮轴、印刷机械、机床主轴、成形机、饮料设备、挖掘机、焊接机器人等各大领域。
SKF 3310 A-2RS1/MT33 *轴承详细参数
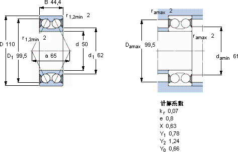
| 角接触球轴承, 双列, 两面密封件 | ||||||||||
| 主要数据尺寸 | 基本负荷额定值 | 疲劳负荷限值 | 额定速度 | 体积 | 型号 | |||||
| 动态 | 静态 | 参照速度 | 限制速度 | |||||||
| d | D | B | C | C0 | Pu | * - SKF Explorer 轴承 | ||||
| mm | kN | kN | r/min | kg | - | |||||
| 50 | 110 | 44,4 | 90 | 64 | 2,75 | - | 4300 | 1,95 | 3310 A-2RS1/MT33 * | |
SKF 3310 A-2RS1/MT33 *轴承尺寸图纸

