李工:138-8949-5179 刘工:135-0428-8802
型号查询
轴承型号   常见搜索: 6026轴承 6032轴承 2025轴承 6002轴承 6024轴承 32313轴承
型号查询 X

轴承专区

Bearings Center

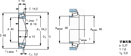
32008 XR/QVA621轴承-SKF 32008 XR/QVA621轴承尺寸、图纸、价格

SKF 32008 XR/QVA621轴承

产品名称:32008 XR/QVA621轴承 品牌:SKF
类型:SKF轴承 > 滚动轴承 > 圆锥滚子轴承
描述:32008 XR/QVA621轴承是【SKF轴承 > 滚动轴承 > 圆锥滚子轴承】的型号,主要用在内燃机、小型汽车前轮、压缩机、差速器、铁路车辆车轴、汽车转向销、挤压机、洗染、掘进机、码垛机器人等各大领域

 电话/微信:138-8949-5179

SKF 32008 XR/QVA621轴承详细信息

32008 XR/QVA621轴承是【SKF轴承 > 滚动轴承 > 圆锥滚子轴承】的型号,主要用在内燃机、小型汽车前轮、压缩机、差速器、铁路车辆车轴、汽车转向销、挤压机、洗染、掘进机、码垛机器人等各大领域。

SKF 32008 XR/QVA621轴承详细参数

圆锥滚子轴承, 单列, 公制轴承, 外圈有挡边
主要数据尺寸基本负荷额定值疲劳负荷限值额定速度体积型号
动态静态参照速度限制速度
dDTCC0Pu
mmkNkNr/minkg-
40681952,8717,65700095000,2732008 XR/QVA621

SKF 32008 XR/QVA621轴承尺寸图纸

李工:138-8949-5179

刘工:135-0428-8802

地址:辽宁省大连经济技术开发区现代城3栋-13-13号

在线客服系统