轴承专区
Bearings Center
313 NR轴承-SKF 313 NR轴承尺寸、图纸、价格
SKF 313 NR轴承
| 产品名称: | 313 NR轴承 | 品牌: | SKF |
|---|---|---|---|
| 类型: | SKF轴承 > 滚动轴承 > 深沟球轴承 | ||
| 描述: | 313 NR轴承是【SKF轴承 > 滚动轴承 > 深沟球轴承】的型号,主要用在仪表、差速器小齿轮轴、发电机、小齿轮轴、减速装置、机床等的变速装置、碾煤机、电子、工程船舶、钢包回转台等各大领域 | ||
电话/微信:138-8949-5179
SKF 313 NR轴承详细信息
313 NR轴承是【SKF轴承 > 滚动轴承 > 深沟球轴承】的型号,主要用在仪表、差速器小齿轮轴、发电机、小齿轮轴、减速装置、机床等的变速装置、碾煤机、电子、工程船舶、钢包回转台等各大领域。
SKF 313 NR轴承详细参数
| 深沟球轴承, 单列,带装球缺口和止动环槽, 无密封件 | |||||||||||
| 主要数据尺寸 | 基本负荷额定值 | 疲劳负荷限值 | 额定速度 | 体积 | 型号 | ||||||
| 动态 | 静态 | 参照速度 | 限制速度 | 轴承,带止动环 | 止动环 | ||||||
| d | D | B | C | C0 | Pu | ||||||
| mm | kN | kN | r/min | kg | - | ||||||
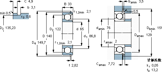
| 65 | 140 | 33 | 102 | 90 | 3,75 | 9000 | 5600 | 2,30 | 313 NR | SP 140 | |
SKF 313 NR轴承尺寸图纸

