轴承专区
Bearings Center
307368 B轴承-SKF 307368 B轴承尺寸、图纸、价格
SKF 307368 B轴承
| 产品名称: | 307368 B轴承 | 品牌: | SKF |
|---|---|---|---|
| 类型: | SKF轴承 > 滚动轴承 > 角接触球轴承 | ||
| 描述: | 307368 B轴承是【SKF轴承 > 滚动轴承 > 角接触球轴承】的型号,主要用在飞机喷气式发动机、油泵、压缩机、机床主轴、造纸机械、石油钻机、燃机、电子、给料机械、坦克等各大领域 | ||
电话/微信:138-8949-5179
SKF 307368 B轴承详细信息
307368 B轴承是【SKF轴承 > 滚动轴承 > 角接触球轴承】的型号,主要用在飞机喷气式发动机、油泵、压缩机、机床主轴、造纸机械、石油钻机、燃机、电子、给料机械、坦克等各大领域。
SKF 307368 B轴承详细参数
| 角接触球轴承, 单列 | |||||||||||
| 主要数据尺寸 | 尺寸 [英寸] | 疲劳负荷限值 | 额定速度 | 体积 | 型号 | ||||||
| 动态 | 静态 | 参照速度 | 限制速度 | ||||||||
| d | D | B | C | C0 | Pu | ||||||
| mm | kN | kN | r/min | kg | - | ||||||
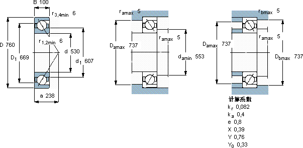
| 530 | 760 | 100 | 702 | 1600 | 27,5 | 750 | 800 | 150 | 307368 B | ||
SKF 307368 B轴承尺寸图纸

