李工:138-8949-5179 刘工:135-0428-8802
型号查询
轴承型号   常见搜索: 6011轴承 71913轴承 6021轴承 6017轴承 6909轴承 6214轴承
型号查询 X

轴承专区

Bearings Center

294/850 EF轴承-SKF 294/850 EF轴承尺寸、图纸、价格

SKF 294/850 EF轴承

产品名称:294/850 EF轴承 品牌:SKF
类型:SKF轴承 > 滚动轴承 > 球面滚子推力轴承
描述:294/850 EF轴承是【SKF轴承 > 滚动轴承 > 球面滚子推力轴承】的型号,主要用在装卸搬运机械、印刷机械、纺织机械传动轴、轧钢机辊颈、破碎机、石油钻机转环、矿山、陶瓷机械、轻工机械、风力发电设备等各大领域

 电话/微信:138-8949-5179

SKF 294/850 EF轴承详细信息

294/850 EF轴承是【SKF轴承 > 滚动轴承 > 球面滚子推力轴承】的型号,主要用在装卸搬运机械、印刷机械、纺织机械传动轴、轧钢机辊颈、破碎机、石油钻机转环、矿山、陶瓷机械、轻工机械、风力发电设备等各大领域。

SKF 294/850 EF轴承详细参数

球面滚子推力轴承, 球面滚子推力轴承
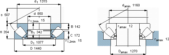
主要数据尺寸尺寸 [英寸]疲劳负荷限值最小负荷系数额定速度体积型号
动态静态参照速度限制速度
dDHCC0Pu
mmkNkN-r/minkg-
850144035423900108000710011001703402390294/850 EF

SKF 294/850 EF轴承尺寸图纸

李工:138-8949-5179

刘工:135-0428-8802

地址:辽宁省大连经济技术开发区现代城3栋-13-13号

在线客服系统