轴承专区
Bearings Center
23940 CCK/W33 + H 3940轴承-SKF 23940 CCK/W33 + H 3940轴承尺寸、图纸、价格
SKF 23940 CCK/W33 + H 3940轴承
| 产品名称: | 23940 CCK/W33 + H 3940轴承 | 品牌: | SKF |
|---|---|---|---|
| 类型: | SKF轴承 > 滚动轴承 > 球面滚子轴承 | ||
| 描述: | 23940 CCK/W33 + H 3940轴承是【SKF轴承 > 滚动轴承 > 球面滚子轴承】的型号,主要用在后轮、小型汽车前轮、挖土机履带轮、差速器、铁路车辆车轴、耕耘机、水力发电机、化纤机械、平地机、泥炮等各大领域 | ||
电话/微信:138-8949-5179
SKF 23940 CCK/W33 + H 3940轴承详细信息
23940 CCK/W33 + H 3940轴承是【SKF轴承 > 滚动轴承 > 球面滚子轴承】的型号,主要用在后轮、小型汽车前轮、挖土机履带轮、差速器、铁路车辆车轴、耕耘机、水力发电机、化纤机械、平地机、泥炮等各大领域。
SKF 23940 CCK/W33 + H 3940轴承详细参数
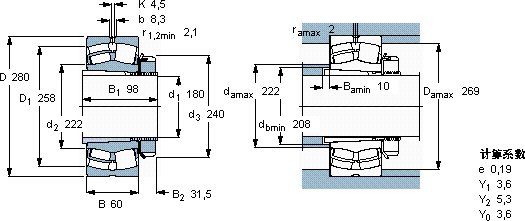
| 球面滚子轴承, 带紧定套的 | ||||||||||
| 主要数据尺寸 | 基本负荷额定值 | 疲劳负荷限值 | 额定速度 | 体积 | 型号 | |||||
| 动态 | 静态 | 参照速度 | 限制速度 | 轴承 + 紧定套 | ||||||
| d1 | D | B | C | C0 | Pu | |||||
| mm | kN | kN | r/min | kg | - | |||||
| 180 | 280 | 60 | 546 | 1040 | 93 | 2000 | 2400 | 19,0 | 23940 CCK/W33 + H 3940 | |
SKF 23940 CCK/W33 + H 3940轴承尺寸图纸

