轴承专区
Bearings Center
23284 CA/W33 *轴承-SKF 23284 CA/W33 *轴承尺寸、图纸、价格
SKF 23284 CA/W33 *轴承
| 产品名称: | 23284 CA/W33 *轴承 | 品牌: | SKF |
|---|---|---|---|
| 类型: | SKF轴承 > 滚动轴承 > 球面滚子轴承 | ||
| 描述: | 23284 CA/W33 *轴承是【SKF轴承 > 滚动轴承 > 球面滚子轴承】的型号,主要用在电气装置部件、小型汽车前轮、压缩机、差速器、轧钢机辊道子、汽车转向销、船舶用螺旋桨轴、烟草机械、掘进机、伽玛等各大领域 | ||
电话/微信:138-8949-5179
SKF 23284 CA/W33 *轴承详细信息
23284 CA/W33 *轴承是【SKF轴承 > 滚动轴承 > 球面滚子轴承】的型号,主要用在电气装置部件、小型汽车前轮、压缩机、差速器、轧钢机辊道子、汽车转向销、船舶用螺旋桨轴、烟草机械、掘进机、伽玛等各大领域。
SKF 23284 CA/W33 *轴承详细参数
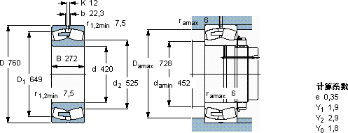
| 球面滚子轴承, 圆柱和圆锥孔, 圆柱型内孔, 无密封件 | ||||||||||
| 主要数据尺寸 | 基本负荷额定值 | 疲劳负荷限值 | 额定速度 | 体积 | 型号 | |||||
| 动态 | 静态 | 参照速度 | 限制速度 | |||||||
| d | D | B | C | C0 | Pu | * - SKF Explorer 轴承 | ||||
| mm | kN | kN | r/min | kg | - | |||||
| 420 | 760 | 272 | 7350 | 11600 | 765 | 450 | 630 | 535 | 23284 CA/W33 * | |
SKF 23284 CA/W33 *轴承尺寸图纸

