轴承专区
Bearings Center
23192 CAK/W33 + OH 3192 H *轴承-SKF 23192 CAK/W33 + OH 3192 H *轴承尺寸、图纸、价格
SKF 23192 CAK/W33 + OH 3192 H *轴承
| 产品名称: | 23192 CAK/W33 + OH 3192 H *轴承 | 品牌: | SKF |
|---|---|---|---|
| 类型: | SKF轴承 > 滚动轴承 > 球面滚子轴承 | ||
| 描述: | 23192 CAK/W33 + OH 3192 H *轴承是【SKF轴承 > 滚动轴承 > 球面滚子轴承】的型号,主要用在飞机喷气式发动机、机床主轴、压缩机、汽车、造纸机械、汽车转向销、燃机、化纤机械、掘进机、坦克等各大领域 | ||
电话/微信:138-8949-5179
SKF 23192 CAK/W33 + OH 3192 H *轴承详细信息
23192 CAK/W33 + OH 3192 H *轴承是【SKF轴承 > 滚动轴承 > 球面滚子轴承】的型号,主要用在飞机喷气式发动机、机床主轴、压缩机、汽车、造纸机械、汽车转向销、燃机、化纤机械、掘进机、坦克等各大领域。
SKF 23192 CAK/W33 + OH 3192 H *轴承详细参数
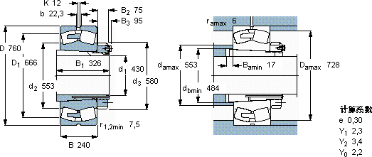
| 球面滚子轴承, 带紧定套的 | ||||||||||
| 主要数据尺寸 | 基本负荷额定值 | 疲劳负荷限值 | 额定速度 | 体积 | 型号 | |||||
| 动态 | 静态 | 参照速度 | 限制速度 | 轴承 + 紧定套 | ||||||
| d1 | D | B | C | C0 | Pu | |||||
| * - SKF Explorer 轴承 | ||||||||||
| mm | kN | kN | r/min | kg | - | |||||
| 430 | 760 | 240 | 6400 | 10800 | 680 | 430 | 800 | 530 | 23192 CAK/W33 + OH 3192 H * | |
SKF 23192 CAK/W33 + OH 3192 H *轴承尺寸图纸

