轴承专区
Bearings Center
2315 K轴承-SKF 2315 K轴承尺寸、图纸、价格
SKF 2315 K轴承
| 产品名称: | 2315 K轴承 | 品牌: | SKF |
|---|---|---|---|
| 类型: | SKF轴承 > 滚动轴承 > 自调心球轴承 | ||
| 描述: | 2315 K轴承是【SKF轴承 > 滚动轴承 > 自调心球轴承】的型号,主要用在通用电动机、差速器小齿轮轴、发电机、小齿轮轴、减速装置、机床等的变速装置、轧钢机轧制螺杆用减速机、破碎、工程船舶、刮泥机等各大领域 | ||
电话/微信:138-8949-5179
SKF 2315 K轴承详细信息
2315 K轴承是【SKF轴承 > 滚动轴承 > 自调心球轴承】的型号,主要用在通用电动机、差速器小齿轮轴、发电机、小齿轮轴、减速装置、机床等的变速装置、轧钢机轧制螺杆用减速机、破碎、工程船舶、刮泥机等各大领域。
SKF 2315 K轴承详细参数
| 自调心球轴承, 圆柱孔和圆锥孔, 圆锥型内孔, 无密封件 | ||||||||||
| 主要数据尺寸 | 基本负荷额定值 | 疲劳负荷限值 | 额定速度 | 体积 | 型号 | |||||
| 动态 | 静态 | 参照速度 | 限制速度 | |||||||
| d | D | B | C | C0 | Pu | |||||
| mm | kN | kN | r/min | kg | - | |||||
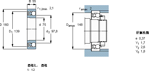
| 75 | 160 | 55 | 124 | 43 | 2,04 | 7500 | 5600 | 4,45 | 2315 K | |
SKF 2315 K轴承尺寸图纸

