轴承专区
Bearings Center
23028 CCK/W33 + H 3028 *轴承-SKF 23028 CCK/W33 + H 3028 *轴承尺寸、图纸、价格
SKF 23028 CCK/W33 + H 3028 *轴承
| 产品名称: | 23028 CCK/W33 + H 3028 *轴承 | 品牌: | SKF |
|---|---|---|---|
| 类型: | SKF轴承 > 滚动轴承 > 球面滚子轴承 | ||
| 描述: | 23028 CCK/W33 + H 3028 *轴承是【SKF轴承 > 滚动轴承 > 球面滚子轴承】的型号,主要用在农业机械、空气压缩机、发电机、大型农业机械、造纸机械、耕耘机、钢铁厂、玩具、平地机、刮泥机等各大领域 | ||
电话/微信:138-8949-5179
SKF 23028 CCK/W33 + H 3028 *轴承详细信息
23028 CCK/W33 + H 3028 *轴承是【SKF轴承 > 滚动轴承 > 球面滚子轴承】的型号,主要用在农业机械、空气压缩机、发电机、大型农业机械、造纸机械、耕耘机、钢铁厂、玩具、平地机、刮泥机等各大领域。
SKF 23028 CCK/W33 + H 3028 *轴承详细参数
| 球面滚子轴承, 带紧定套的 | ||||||||||
| 主要数据尺寸 | 基本负荷额定值 | 疲劳负荷限值 | 额定速度 | 体积 | 型号 | |||||
| 动态 | 静态 | 参照速度 | 限制速度 | 轴承 + 紧定套 | ||||||
| d1 | D | B | C | C0 | Pu | |||||
| * - SKF Explorer 轴承 | ||||||||||
| mm | kN | kN | r/min | kg | - | |||||
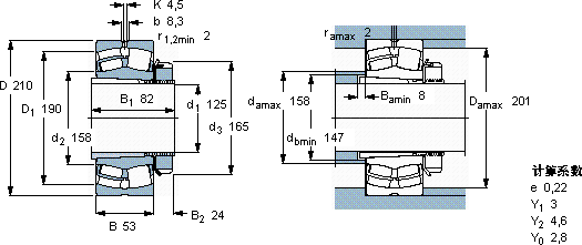
| 125 | 210 | 53 | 465 | 680 | 68 | 2600 | 3400 | 9,40 | 23028 CCK/W33 + H 3028 * | |
SKF 23028 CCK/W33 + H 3028 *轴承尺寸图纸

