李工:138-8949-5179 刘工:135-0428-8802
型号查询
轴承型号   常见搜索: 6010轴承 6005轴承 6909轴承 6026轴承 6024轴承 6016轴承
型号查询 X

轴承专区

Bearings Center

230/950 CAK/W33 + OH 30/950 H轴承-SKF 230/950 CAK/W33 + OH 30/950 H轴承尺寸、图纸、价格

SKF 230/950 CAK/W33 + OH 30/950 H轴承

产品名称:230/950 CAK/W33 + OH 30/950 H轴承 品牌:SKF
类型:SKF轴承 > 滚动轴承 > 球面滚子轴承
描述:230/950 CAK/W33 + OH 30/950 H轴承是【SKF轴承 > 滚动轴承 > 球面滚子轴承】的型号,主要用在电气装置部件、燃料喷射泵、汽车发动机、齿轮减速装置、振动筛、起重机吊钩、船舶用螺旋桨轴、医药设备、强夯机、伽玛等各大领域

 电话/微信:138-8949-5179

SKF 230/950 CAK/W33 + OH 30/950 H轴承详细信息

230/950 CAK/W33 + OH 30/950 H轴承是【SKF轴承 > 滚动轴承 > 球面滚子轴承】的型号,主要用在电气装置部件、燃料喷射泵、汽车发动机、齿轮减速装置、振动筛、起重机吊钩、船舶用螺旋桨轴、医药设备、强夯机、伽玛等各大领域。

SKF 230/950 CAK/W33 + OH 30/950 H轴承详细参数

球面滚子轴承, 带紧定套的
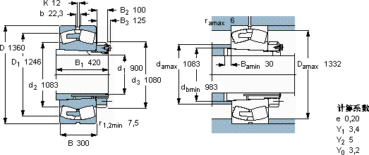
主要数据尺寸基本负荷额定值疲劳负荷限值额定速度体积型号
动态静态参照速度限制速度轴承 + 紧定套
d1DBCC0Pu
mmkNkNr/minkg-
9001360300120002850016002003801870230/950 CAK/W33 + OH 30/950 H

SKF 230/950 CAK/W33 + OH 30/950 H轴承尺寸图纸

李工:138-8949-5179

刘工:135-0428-8802

地址:辽宁省大连经济技术开发区现代城3栋-13-13号

在线客服系统