轴承专区
Bearings Center
SKF 220轴承
| 产品名称: | 220轴承 | 品牌: | SKF |
|---|---|---|---|
| 类型: | SKF轴承 > 滚动轴承 > 深沟球轴承 | ||
| 描述: | 220轴承是【SKF轴承 > 滚动轴承 > 深沟球轴承】的型号,主要用在农业机械、燃汽轮机、燃汽轮机、后轮、造纸机械、石油钻机、钢铁厂、电子、给料机械、刮泥机等各大领域 | ||
电话/微信:138-8949-5179
SKF 220轴承详细信息
220轴承是【SKF轴承 > 滚动轴承 > 深沟球轴承】的型号,主要用在农业机械、燃汽轮机、燃汽轮机、后轮、造纸机械、石油钻机、钢铁厂、电子、给料机械、刮泥机等各大领域。
SKF 220轴承详细参数
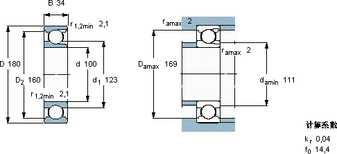
| 深沟球轴承, 单列,带装球缺口, 无密封件 | ||||||||||
| 主要数据尺寸 | 基本负荷额定值 | 疲劳负荷限值 | 额定速度 | 体积 | 型号 | |||||
| 动态 | 静态 | 参照速度 | 限制速度 | |||||||
| d | D | B | C | C0 | Pu | |||||
| mm | kN | kN | r/min | kg | - | |||||
| 100 | 180 | 34 | 134 | 140 | 5 | 6300 | 4000 | 3,45 | 220 | |
SKF 220轴承尺寸图纸

