李工:138-8949-5179 刘工:135-0428-8802
型号查询
轴承型号   常见搜索: 6019轴承 32313轴承 6030轴承 6009轴承 6013轴承 22222轴承
型号查询 X

轴承专区

Bearings Center

220-Z轴承-SKF 220-Z轴承尺寸、图纸、价格

SKF 220-Z轴承

产品名称:220-Z轴承 品牌:SKF
类型:SKF轴承 > 滚动轴承 > 深沟球轴承
描述:220-Z轴承是【SKF轴承 > 滚动轴承 > 深沟球轴承】的型号,主要用在飞机喷气式发动机、小型汽车前轮、汽车发动机、差速器、铁路车辆车轴、耕耘机、燃机、纺织、地基处理机械、厨具设备等各大领域

 电话/微信:138-8949-5179

SKF 220-Z轴承详细信息

220-Z轴承是【SKF轴承 > 滚动轴承 > 深沟球轴承】的型号,主要用在飞机喷气式发动机、小型汽车前轮、汽车发动机、差速器、铁路车辆车轴、耕耘机、燃机、纺织、地基处理机械、厨具设备等各大领域。

SKF 220-Z轴承详细参数

深沟球轴承, 单列,带装球缺口, 单面防尘罩
主要数据尺寸基本负荷额定值疲劳负荷限值额定速度体积型号
动态静态参照速度限制速度
dDBCC0Pu
mmkNkNr/minkg-
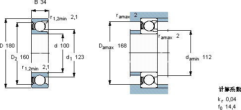
100180341341405630040003,45220-Z

SKF 220-Z轴承尺寸图纸

李工:138-8949-5179

刘工:135-0428-8802

地址:辽宁省大连经济技术开发区现代城3栋-13-13号

在线客服系统