李工:138-8949-5179 刘工:135-0428-8802
型号查询
轴承型号   常见搜索: 6018轴承 6007轴承 nu轴承 6020轴承 6032轴承 71913轴承
型号查询 X

轴承专区

Bearings Center

219 NR轴承-SKF 219 NR轴承尺寸、图纸、价格

SKF 219 NR轴承

产品名称:219 NR轴承 品牌:SKF
类型:SKF轴承 > 滚动轴承 > 深沟球轴承
描述:219 NR轴承是【SKF轴承 > 滚动轴承 > 深沟球轴承】的型号,主要用在铁路车辆、燃料喷射泵、变速器、齿轮减速装置、木工机械、起重机吊钩、冶炼厂、电子、专用车、正面吊等各大领域

 电话/微信:138-8949-5179

SKF 219 NR轴承详细信息

219 NR轴承是【SKF轴承 > 滚动轴承 > 深沟球轴承】的型号,主要用在铁路车辆、燃料喷射泵、变速器、齿轮减速装置、木工机械、起重机吊钩、冶炼厂、电子、专用车、正面吊等各大领域。

SKF 219 NR轴承详细参数

深沟球轴承, 单列,带装球缺口和止动环槽, 无密封件
主要数据尺寸基本负荷额定值疲劳负荷限值额定速度体积型号
动态静态参照速度限制速度轴承,带止动环止动环
dDBCC0Pu
mmkNkNr/minkg-
95170321211224,5670043002,70219 NRSP 170

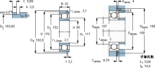
SKF 219 NR轴承尺寸图纸

李工:138-8949-5179

刘工:135-0428-8802

地址:辽宁省大连经济技术开发区现代城3栋-13-13号

在线客服系统